loading
| Availability: | |
|---|---|
| Quantity: | |
PRODUCTS TRUCTURAL FEATURES
Inverted pressure balance lubricated plug valve acc.to ANSl is applicable to the cutting and connection of pipelines medium , in various industries such as petroleum chemical industry, pharmacy, chemical fertilizer, electric power industry etc under nominal pressure of CLASS150-1500LBS and working temperature of -29~80℃.
MAINS TRUCTURAL FEATURES
1/lt has logical structure, reliable seal, excellent performance and nice design.
2/ lt has the structure of flip-chip balanceable pressure and light on/off operation.
3/ An oil groove is set between valve body and seal surface, which may infuse the seal grease to increase the seal capability.
4/ The part material and flange dimension may be selected according to current operating condition or user's requirement, so as to meet the requirements of various engineering.
TECHNICALSPECIFICATION
| Structural formation | BC |
| Driving manner | Wreneh wheel,worm & worm gear,pneumatic,electric-actuated |
| Design standard | API599、API6D |
| Face to face | ASME B16.10 |
| Flange ends | ASME B16.5 |
| Test & inspection | API598、API 6D |
| Nominal pressure(LB) | Shell test(MPa) | Sealing test(MPa) | Suitable temp.(℃) | Suitable medium |
| 150 | 3.0 | 2.2 | ≤80℃ | Water oil & gas |
| 300 | 7.5 | 5.5 | ||
| 600 | 15.0 | 11.0 | ||
| 900 | 22.5 | 16.5 |
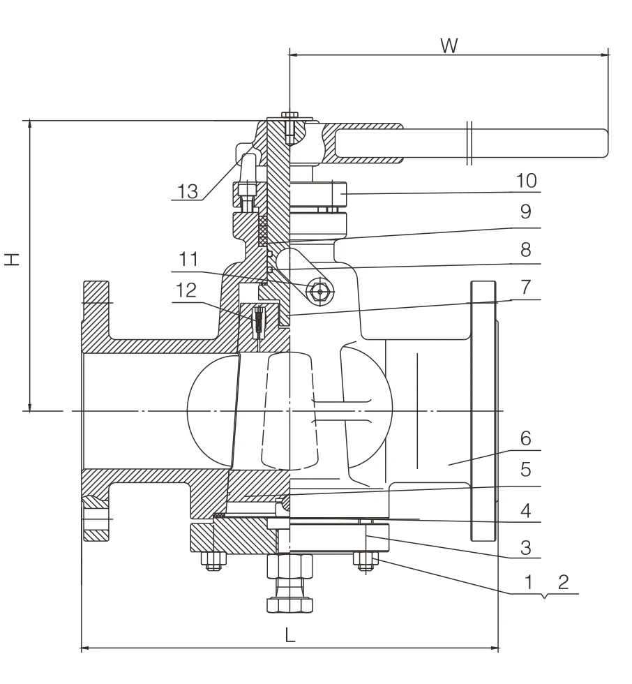
| NO. | Part name | Material |
| 1 | Bolt | ASTMA193-B7、A320-B8、A193-B8M |
| 2 | Nut | ASTMA194-2H、A194-8、A194-8M |
| 3 | Cover | ASTM A216_WCB、ASTM A217_WC1、WC6、WC9、C5 / ASTM A351-CF8、CF8M、CF3、CF3M |
| 4 | Gasket | Flexible graphite+stainless steel、PTFE |
| 5 | Plug | ASTM A182-Gr.F6a、ASTM A182-F22 / ASTM A182-F304、F316、F321、F304L、F316L |
| 6 | Body | ASTM A216_WCB、ASTM A217_WC1、WC6、WC9、C5 / ASTM A351-CF8、CF8M、CF3、CF3M |
| 7 | Stem | ASTM A182-Gr.F6a、ASTM A182-F22 / ASTM A182-F304、F316、F321、F304L、F316L |
| 8 | O”ring | NBR |
| 9 | Packing | Flexible graphile、PTFE |
| 10 | Gland | ASTM A216-WCB、ASTM A217_WC1、WC6、WC9、C5 / ASTM A351-CF8、CF8M、CF3、CFЗM |
| 11 | Oil nozzle | / |
| 12 | Check valve | / |
| 13 | Wrench | ASTM A47-32510、A216WCB |
Note: Material selection according to specific conditions may be vary, the above data is for reference only.

Note: For more size, please contact our engineer
Company Profile
Shanghai BRTV® Valve Group Co., Ltd. Headquarters are based in Shanghai, a dynamic international metropolis. The company operates factories at No. 300, Desheng Road, Yinzhou District, Ningbo City, Zhejiang Province, and No. 42, Yongjiang South Road, Beilun District, Ningbo City, Zhejiang Province. It is an enterprise integrating R&D, design, manufacturing and sales of intelligent pneumatic and electric actuators and valves. With years of technical accumulation and outstanding production capacity, BRTV® has become a leading brand in the industrial valve industry both domestically and internationally.
Professional Products and Application Fields
The company primarily produces and sells four major categories of products, including electric valves, pneumatic valves, manual valves (check valves, butterfly valves, gate valves, ball valves, steam traps, plug valves, diaphragm valves, safety valves, pressure reducing valves), and pipeline fittings. Our products are widely used in industries such as petrochemicals, new energy, power generation, metallurgy and mining, pharmaceuticals, and environmental wastewater treatment.
BRTV® products cover a wide range of materials and specifications, meeting the usage requirements of different customers in high-temperature, high-pressure, low-temperature, negative-pressure environments, and various corrosive media. Whether for demanding industrial applications or complex fluid control needs, we provide expert solutions that earn the trust and recognition of our customers.
Technological Innovation and Quality Assurance
Committed to technological innovation, Shanghai BRTV® Valve Group Co., Ltd. boasts a high-quality R&D team and state-of-the-art production and testing equipment. We strictly implement the ISO9001 quality management system and implement CCC certification management to ensure that the quality of each product shipped meets the technical requirements and quality standards of customers.
The company continues to increase its R&D investment, focusing on the innovation of electric pneumatic actuator design and the optimization of manufacturing processes.
Market reputation and partners
Over the years, BRTV® has built long-term, stable partnerships with renowned companies both domestically and internationally driven by its exceptional product quality and premium services. In particular, through its collaboration with leading Chinese listed companies such as Sany Heavy Industry, Zhongwei New Energy, and Zhongke Electric, BRTV® has earned a strong corporate reputation for its high-performance products, reliable supply capabilities, technical expertise and comprehensive after-sales system. This not only highlights BRTV® competitiveness in the industry, but also showcases our brand strength and technical expertise.
Service Concept and Corporate Mission
Guided by the philosophy of "Quality First, Customer First", Shanghai BRTV® Valve Group prioritizes customer needs above all else. We offer a wide range of high-quality valve products while delivering comprehensive one-stop services from technical docking in material selection to after-sales maintenance. Our commitment is to ensure product excellence, enhance production safety, and minimize production risks for our customers.
Looking ahead, the company will remain committed to its development strategy of being "technology-driven, quality-centered, and service-oriented". We will actively expand our global presence, continuously refine our product portfolio, enhance technical expertise, and strive to become a leader in the industrial valve industry.
Corporate Vision
As a responsible enterprise, BRTV® is dedicated to advancing technological progress in the industry and delivering safe, efficient and eco-friendly fluid control solutions for global industrial development. Through continuous innovation and unwavering commitment, BRTV® strives to collaborate with its partners to embrace new challenges and opportunities in the industrial era, working together to build a brighter future.
A) How could I get a sample?
Before we received the first order, please afford the sample cost and express fee. We will return the sample cost back to you within your first order.
B) Sample time?
Existing items: Fastest
C) Whether you could make our brand on your products?
Yes. We can print your Logo on both the products and the packages if you can meet our MOQ.
D) How to guarantee the quality of your products?
1.Strict detection during production.
2.Strict sampling inspection on products before shipment and intact product packaging ensured.t and intact product packaging ensured.
content is empty!